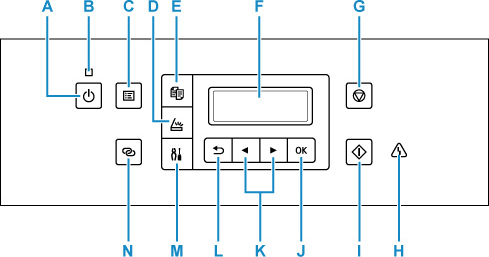
Bedieningspaneel

- A: Knop AAN (ON)
-
Hiermee kunt u het apparaat aan- of uitzetten. De documentklep moet gesloten zijn als het apparaat wordt aangezet.
- B: AAN (ON)-lampje
- Dit lampje knippert en brandt vervolgens wanneer het apparaat wordt aangezet.
- C: Knop MENU
- Geeft het scherm Menu Kopie (Copy menu) of Menu Scannen (Scan menu) weer.
- D: Knop SCANNEN (SCAN)
- Hiermee wordt de printer naar de scanmodus geschakeld.
- E: Knop KOPIËREN (COPY)
- Hiermee wordt de printer naar de kopieermodus geschakeld.
- F: LCD (Liquid Crystal Display)
- Hierop worden berichten, menu-items en de werkingsstatus weergegeven.
- G: Knop Stoppen (Stop)
- Hiermee annuleert u een actieve afdruk-, kopieer- of scantaak.
- H: Alarm-lampje
- Wanneer er een fout optreedt, knippert of brandt dit lampje.
- I: Knop Starten (Start)
- Start het kopiëren, scannen, enzovoort.
- J: Knop OK
- Hiermee voltooit u de selectie van een menu- of instellingsitem. Deze knop wordt ook gebruikt om een fout op te lossen of documenten in de ADF (automatische documentinvoer) uit te voeren.
- K: Knoppen
en 
-
Wordt gebruikt om een instellingsitem te selecteren. Deze knoppen worden ook gebruikt om tekens in te voeren.
- L: Knop Terug (Back)
- Hiermee keert u terug naar het vorige scherm op het LCD-scherm.
- M: Knop Instellingen (Setup)
- Geeft het venster Instellingenmenu (Setup menu) weer. Met dit menu kunt u onderhoud aan de printer uitvoeren en printerinstellingen wijzigen. Wordt ook gebruikt om de invoermodus te selecteren.
- N: Knop Draadloos verbinden (Wireless connect)
- Houd deze knop ingedrukt om informatie over de draadloze router van de printer rechtstreeks in te stellen vanaf een smartphone of soortgelijk apparaat (zonder een procedure te hoeven uitvoeren op de router).

